Overenie kapacity hlavnej stanice v Bratislave
Pokusy o zvýšenie kapacity ŽST Bratislava-hlavná stanica prebiehajú už štyri desaťročia. Prestavba stanice je nevyhnutná z dôvodov morálneho a fyzického opotrebenia, požiadaviek aktuálne platných noriem, zlej reputácie a tiež rastúcich nárokov na rozsah osobnej a nákladnej dopravy.
![]() |
Poznáte výhody Klubu ASB? Stačí bezplatná registrácia a získate sektorové analýzy slovenského stavebníctva s rebríčkami firiem ⟶ |
Možnosti zvýšenia kapacity hlavnej stanice v Bratislave sú obmedzené vzhľadom na samotné geografické umiestnenie a historický vývoj s postupným pripájaním ďalších traťových úsekov. Stanica sa v súčasnej polohe nachádza od roku 1871 ako súčasť trate Budapešť – Štúrovo – Bratislava – Viedeň.
Neskôr boli postupne zapojené ďalšie traťové úseky smerom na Žilinu a následne aj smerom na ŽST Bratislava-Nové Mesto. V roku 1989 bola dokončená prístavba druhej budovy. Táto budova mala byť len dočasným riešením nedostatočnej kapacity priestorov pre cestujúcich do realizácie projektu z roku 1986, ktorý sa však nikdy neuskutočnil.

Štúdia realizovateľnosti uzla Bratislava
V roku 2019 bola ukončená štúdia realizovateľnosti pre železničný uzol Bratislava (obr. 1). V štúdii boli definované konkrétne infraštruktúrne opatrenia, ktoré majú byť následne pretavené do projektovej prípravy a realizácie stavieb. Železničná infraštruktúra bola navrhnutá na v tom čase predpokladaný rozsah dopravy.
V roku 2023 bol však schválený nový strategický dokument definujúci výhľadový prevádzkový koncept Plán dopravnej obsluhy SR železničnou dopravou, podľa ktorého sa počet vlakov v porovnaní s prognózou štúdie realizovateľnosti uzla Bratislava z roku 2019 zvyšuje.

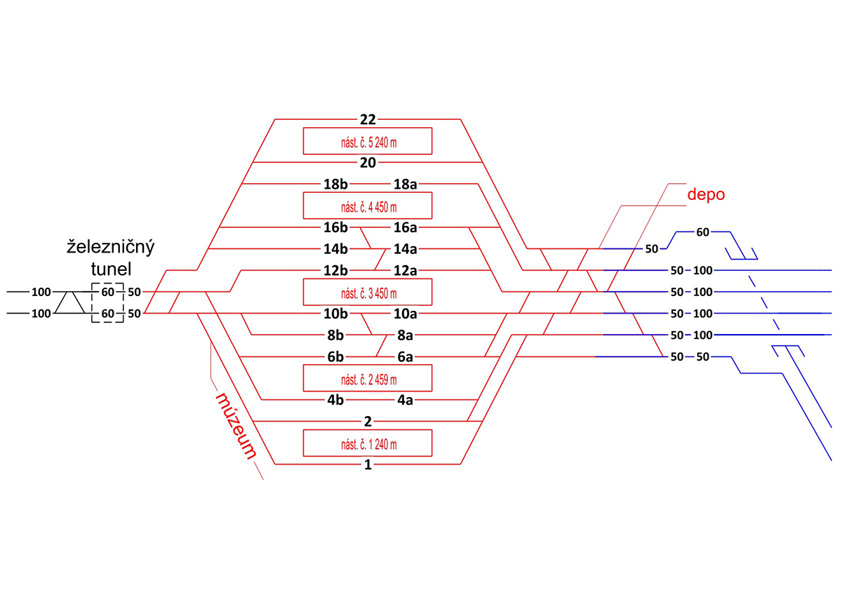
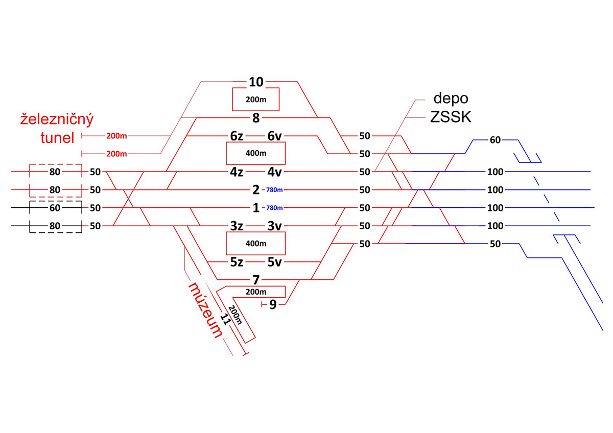
Navrhované technické riešenie zahŕňa osem nástupných hrán pri troch ostrovných a dvoch krajných nástupištiach a nevyžaduje si záber cudzích pozemkov ani zásah do ulice Jaskový rad a priľahlých rodinných domov. V porovnaní so súčasným stavom dochádza k redukcii infraštruktúry stanice, keďže súčasná stanica má desať nástupných hrán pri štyroch ostrovných a dvoch krajných nástupištiach.

Z uvedeného dôvodu bola spracovaná simulácia železničnej prevádzky s cieľom overiť realizovateľnosť nového prevádzkového konceptu na infraštruktúre navrhovanej podľa štúdie realizovateľnosti uzla Bratislava. Na tieto účely sa použil simulačný nástroj OpenTrack (obr. 2, 3). V softvéri je železničná infraštruktúra zobrazená vo forme vrcholov, ktoré reprezentujú kilometrickú polohu výhybiek, návestidiel, začiatkov a koncov nástupíšť, smerových oblúkov, zmien rýchlostí, sklonov a pod.
Tieto vrcholy sú následne prepojené hranami, v ktorých je zapísaná ich dĺžka, sklon, polomer oblúka, rýchlosť a ďalšie technické parametre infraštruktúry. Ďalej sú definované jednotlivé vlakové cesty tak, aby bolo možné realisticky simulovať zabezpečenie jázd vlakov staničným a traťovým zabezpečovacím zariadením.
Ďalšie vstupy do simulácie predstavujú vozidlá vrátane ich technických parametrov a dynamických vlastností, ktoré sú definované prostredníctvom trakčnej charakteristiky. Posledným vstupom je samotný cestovných poriadok. Výstupom simulácie sú grafy rýchlostí, obsadenia koľají, nákresné cestovné poriadky a prípadne ďalšie výstupy využiteľné pre kapacitnú analýzu. V tomto prípade bola simulovaná železničná prevádzka bez vplyvu meškaní a mimoriadností.
Z metodického hľadiska sa simulácia vykonáva na základe cestovného poriadku (plánu). Pred zahájením simulácie bolo preto potrebné zostrojiť najskôr plán obsadenia koľají, v rámci tohto procesu sa však zistila nedostatočná kapacita nástupných hrán.
Z toho dôvodu bolo simulovaných 86 % požadovaného rozsahu dopravy. Následne sa počas simulácie prihliadalo na dodržiavanie prevádzkových intervalov, pričom boli identifikované rôzne kolízne miesta. Simuláciou sa zistila realizovateľnosť nového prevádzkového konceptu len na úrovni 67 % požadovaného rozsahu dopravy.
Medzi limitujúce faktory ovplyvňujúce kapacitu hlavnej stanice patria:
- nevyhovujúca dĺžka niektorých nástupných hrán a ich nerovnomerné rozmiestnenie v rámci stanice,
- smerová nevyváženosť z hľadiska rozsahu dopravy,
- umiestnenie depa, ktoré si vyžaduje zmenu smeru pri odstavení/pristavení súpravy a ktoré nadmerne zvyšuje zaťaženie východného – dopravne viac zaťaženého zhlavia,
- nevyhovujúci počet a užitočná dĺžka koľají pre tranzitnú nákladnú dopravu,
- nepriaznivé sklonové pomery
- zmiešaná prevádzka osobnej a nákladnej dopravy, pričom vlaky nákladnej dopravy zvyšujú čas obsadenia zhlavia pri vchode a odchode vzhľadom na ich dĺžku, nízku rýchlosť v obvode stanice a vynútené zastavenie v tejto stanici.
Medzi navrhované opatrenia vyplývajúce zo simulácie dopravy patria:
- zvýšenie kapacity nástupíšť,
- odstránenie kolíznych bodov na zhlaví (vloženie ďalších koľajových spojok pre možnosť súčasných jázd,
- zvýšenie počtu traťových koľají v smere na Lamač,
- vedenie dvoch tranzitných koľají pre nákladnú dopravu mimo osobnej skupiny koľají,
- potreba realizovať zdvojkoľajnenie medzistaničného úseku Bratislava-Nové Mesto – Bratislava hl. st. smerovým usporiadaním traťových koľají.
Uvedené opatrenia však nie je možné aplikovať v podobe modifikácie pôvodného koľajového návrhu zo štúdie realizovateľnosti uzla Bratislava z roku 2019. V tejto súvislosti boli navrhnuté dve riešenia, ktoré vychádzajú z navrhnutých opatrení. Nevyhnutným predpokladom na zvýšenie kapacity hlavnej stanice je rozšírenie koľajiska južným smerom a s tým súvisiace odstránenie historickej budovy železničnej stanice a jej prístavby.
Návrh MIB (Metropolitný inštitút Bratislavy)
V závere roku 2022 bola spracovaná Overovacia štúdia ŽST Bratislava-hlavná stanica – usporiadanie koľajiska. Zadávateľom bol Metropolitný inštitút Bratislavy, spracovateľom bola spoločnosť AFRY CZ, s. r. o (obr. 4).

Cieľom bolo preveriť možnosti rozšírenia koľajiska južným smerom, vloženia ostrovných nástupíšť s komfortnou šírkou a zvýšenia rýchlosti pre hlavné koľaje. Na severnom zhlaví sa predpokladajú tri koľaje v tuneloch smerom na Lamač. Napojenie Múzea dopravy je zachované.
Na východnom zhlaví sa predpokladá zapojenie troch existujúcich tratí v traťovom usporiadaní, s možným budúcim zdvojkoľajnením smerom na Bratislava-Nové Mesto; zároveň sa umožňuje zdvojené napojenie depa. Rýchlosť v dopravných koľajach je 50 km/h, rýchlosť vo väčšine koľajových spojok iba 40 km/h z dôvodu oblúkového zhlavia.
V stanici je navrhnutých 5 ostrovných nástupíšť. V strednej časti koľajiska sú navrhnuté dve priebežné hlavné koľaje bez nástupných hrán, ich dĺžka je maximalizovaná na 600 a 755 m.
Návrh ŽSR
Tento návrh koľajiska bol spracovaný na Odbore stratégie GR ŽSR v reakcii na výsledky 1. etapy simulácie (obr. 5). V porovnaní s predchádzajúcim variantom je z územného hľadiska kompaktnejší, s menším zásahom do ulice Jaskový rad. S tým však súvisí aj kratšia dĺžka ostrovných nástupíšť.

Priebežné koľaje pre vlaky nákladnej dopravy sú situované na južnom okraji koľajiska. Výhodou tohto riešenia je jednoduchšia úprava koľajiska v prípade, ak by bola nákladná doprava prevedená mimo hlavnej stanice. Zjavnou nevýhodou je vyšší počet kolíznych bodov na zhlaví pre vlaky nákladnej dopravy.
Dĺžka koľají pre vlaky nákladnej dopravy je v tomto variante väčšia, rovnako ako v predchádzajúcom variante je však len jedna koľaj vhodná pre vlaky normatívu dĺžky 740 m. Nepočíta sa s napojením koľajiska Múzea. Návrh stanice zahŕňa aj 5 ostrovných nástupíšť.
Vyhodnotenie
Oba návrhy boli opätovne posúdené simuláciou železničnej prevádzky. V tomto prípade bol rozsah dopravy mierne aktualizovaný v podobe zmeny časových polôh niektorých vlakov a rozsah dopravy bol znížený o 1 pár/hod.
V rámci simulácie vlakovej dopravy nebola vyhodnotená stabilita GVD. Aby však bola zabezpečená prijateľná kvalita vlakovej prevádzky, je potrebné zohľadniť určité časové rezervy, ktoré slúžia na zníženie meškania vlakov.
Spotreba kapacity staničných zhlaví bola stanovená v súlade s vyhláškou UIC 406. Metodika je založená na kompresnej metóde, pri ktorej sa časy obsadenia jednotlivých prvkov stlačia na hodnotu prevádzkových intervalov. Výsledkom je tak čas obsadenia posudzovaného úseku infraštruktúry. Princíp zisťovania času obsadenia pomocou kompresnej metódy je uvedený na obr. 6.

Z výsledkov kapacitnej analýzy je zrejmé, že vo variante MIB možno realizovať plný požadovaný rozsah dopravy pri spotrebe kapacity 91 % na lamačskom zhlaví a 88 % na račianskom zhlaví. V prípade variantu ŽSR nebolo možné realizovať plný požadovaný rozsah dopravy a dva vlaky boli zo simulácie vylúčené. Aj napriek tomu sa zistilo preťaženie lamačského zhlavia na úrovni 116 %. Na račianskom zhlaví sa zistila spotreba kapacity na úrovni 83 %.
Nákladná doprava
V simulácii bola rešpektovaná požiadavka na tri páry nákladných vlakov za hodinu. Vzhľadom na vysoké zaťaženie zhlaví je problematické previezť nákladný vlak bez potreby zastavenia. Z grafu obsadenia koľají vyplýva, že až 70 % vlakov nákladnej dopravy zastavilo z dopravných dôvodov. Takisto je problematické nastaviť pre vlak nákladnej dopravy vhodnú časovú polohu tak, aby plynulo vchádzal do stanice bez nutnosti zastavenia na vchodovom návestidle.
Pre zamestnanca riadiaceho dopravu bude v reálnej prevádzke mimoriadne náročné skoordinovať odchod vlaku zo susednej stanice tak, aby nedošlo k zastaveniu vlaku na vchodovom návestidle a zablokovaniu traťovej koľaje. Vzhľadom na vyššiu pravdepodobnosť zastavenia nákladných vlakov v stanici z dopravných dôvodov nie je možné stanoviť normatív dĺžky vlakov na 740 m.
Vedenie vlakov nákladnej dopravy cez ŽST Bratislava-hlavná stanica môže zapríčiniť meškanie vlakov osobnej dopravy a súčasne môže dochádzať k zdržaniu vlakov nákladnej dopravy nielen na hlavnej stanici, ale aj v susedných staniciach v dôsledku čakania na vhodné časové okno.
Prevedenie vlakov nákladnej dopravy cez hlavnú stanicu si tak vyžaduje vybudovanie 0. traťovej koľaje v úseku Devínska Nové Ves – Bratislava-hlavná stanica vrátane novej tunelovej rúry.
Ďalšie varianty riešenia v štúdii VRT V4
Na zachovanie súčasnej koncepcie prevádzky v ŽST Bratislava-hlavná stanica ako východiskovej stanice pre väčšinu vlakov diaľkovej a regionálnej dopravy je pre realizovateľnosť výhľadového rozsahu dopravy nevyhnuté zvýšiť kapacitu stanice. Toto opatrenie možno dosiahnuť len odstránením súčasnej historickej budovy a jej prístavby.
Zvýšenie kapacity hlavnej stanice sa ďalej skúmalo v rámci štúdie VRT V4 ako variant 24-C (obr. 7). Aj v tomto prípade bolo navrhnutých 5 ostrovných nástupíšť. Ich kapacita však bola významne navýšená prostredníctvom rozdelenia 4 nástupných hrán výhybkou. Vďaka tomu možno efektívnejšie využiť dlhé nástupné hrany, a to obehnutím súpravy cez koľajovú spojku a strednú koľaj.

V smere do ŽST Bratislava-Lamač zostali zachované dve traťové koľaje, a to z dôvodu presmerovania nákladnej dopravy mimo ŽST Bratislava-hlavná stanica. Variant teda nepočíta s nákladnou dopravou vedenou cez hlavnú stanicu, ale cez nový tunelový bypass podľa územného plánu mesta.
Tento variant však vykazoval záporné ukazovatele ekonomickej analýzy (CBA) a z tohto dôvodu bol zo štúdie vylúčený.
Medzi ekonomicky efektívne varianty vedenia vysokorýchlostnej trate cez územie Slovenska patrí variant 23-A, ktorý je zároveň odporúčaným riešením v záveroch štúdie VRT V4 (obr. 8). V tomto variante sa navrhuje vybudovanie novej stanice pri Stupave, ktorej súčasťou bude aj zázemie technicko-hygienickej údržby vozidiel.

Všetky vlaky diaľkovej dopravy tak budú zo ŽST Bratislava-hlavná stanica pokračovať smerom do novej ŽST Bratislava-západ. Zmena prevádzkovej koncepcie kladie nižšie požiadavky na kapacitu ŽST Bratislava-hlavná stanica, ktorá tak môže byť modernizovaná v podstatne menšom rozsahu pri zachovaní súčasnej historickej budovy.
Konečná podoba hlavnej stanice tak závisí od realizácie novej ŽST Bratislava-západ alebo presmerovania nákladnej dopravy mimo hlavnej stanice. Tieto otázky sú predmetom ďalších analýz, ktoré sa momentálne pripravujú.
Text: Ing. Erik Balga, projektant, dopravná technológia,
Valbek SK, spol. s r. o.
Foto: Valbek SK, spol. s r. o.












