Ako začleniť do rozvodnej sústavy centralizovaného zásobovania teplom obnoviteľný zdroj energie?
Sústavy centralizovaného zásobovania teplom (CZT) sa aj v súčasnosti stále vnímajú, a to aj odbornou verejnosťou, len ako jediný zdroj tepla, z ktorého sa distribučnou potrubnou sústavou jednosmerne napájajú jednotliví odberatelia tepla a teplej vody. Predstava, že by distribučnou sústavou mohlo prúdiť teplo aj opačným smerom, je zatiaľ neprípustná.
![]() |
Poznáte výhody Klubu ASB? Stačí bezplatná registrácia a získate sektorové analýzy slovenského stavebníctva s rebríčkami firiem ⟶ |
V roku 1884, keď postavili v Bratislave prvú elektráreň, takto fungovali aj elektrické distribučné siete. Odvtedy sa však vyvinuli tak, že dnes sa do distribučnej siete dá pripojiť ako odberateľ, tak aj dodávateľ elektriny, môžu sa vytvárať energetické spoločenstvá a možno si vybrať aj dodávateľa elektriny.
Teplárenské distribučné sústavy však uviazli v minulom storočí a predstava, že by nimi mohlo prúdiť teplo aj opačným smerom, je zatiaľ neprípustná. Vraj sa to nedá. Cieľom článku je ukázať, že z technickej stránky sa to dá. Najprv sa pokúsime vysvetliť, prečo by sme sa mali zaoberať inštaláciou obnoviteľných zdrojov tepla v sústavách CZT.
Sme autormi technológie na rekuperáciu tepla z kanalizačnej vody a vetracieho vzduchu, pomocou ktorej znižujeme v bytových domoch spotrebu tepla z externého zdroja o viac ako 80 %. Objekty s touto technológiou sú nezávislé od zdroja tepla minimálne do vonkajších teplôt na úrovni -5 °C. Zároveň minimálne 70 % tepelnej energie na vykurovanie a 100 % tepla na prípravu teplej vody si tieto objekty zabezpečujú z vlastných zdrojov – cirkuláciou tepelnej energie vnútri objektu.
Tieto energetické zisky z vnútra budov sú však k dispozícii celoročne. To znamená, že pri vonkajších teplotách vyšších ako 0 °C dokáže objekt zo svojich vnútorných zdrojov získať viac tepelnej energie, ako potrebuje na vykurovanie a prípravu TV, pričom prebytok energie možno dodávať do rozvodnej sústavy CZT.
V čase mimo vykurovacej sezóny je každý bytový dom „vyzbrojený“ uvedenou technológiou schopný zabezpečiť tepelnú energiu, ktorú už nedokáže spotrebovať – napríklad na prípravu teplej vody pre ďalšie bytové domy, ak sú prepojené teplovodným rozvodom.
Ide pritom o tepelnú energiu, ktorá je produkovaná za zlomok ceny oproti cene tepla z CZT. Na jej zachytenie sa spotrebuje menej primárnej energie, ako spotrebuje CZT a produkcia emisií CO2 je minimálne 10-násobne nižšia ako pri teplárňach, kde je palivom plyn.
Nevyužívať takúto obnoviteľnú energiu v sústavách CZT je teda v rozpore so všetkými záväzkami Slovenskej republiky v oblasti podpory OZE a vyhláseniami rozhodujúcich predstaviteľov SR. Na obr. 1 vidieť zjednodušenú technologickú schému rekuperácie tepla z kanalizácie a vetracieho vzduchu.

Ako preniesť teplo z jedného odberného miesta do druhého v sústave CZT sa doteraz neriešilo, lebo to neumožňuje legislatíva a už vôbec nie záujmy prevádzkovateľov sústav CZT. V okolitých krajinách však už táto možnosť začína byť legálna, takže je len otázkou času, kedy sa aj na Slovensku zmení pohľad na modernizáciu sústav CZT.
Z uvedených dôvodov si dovolíme odprezentovať jedno z mnohých možných technických riešení, ako začleniť do rozvodnej sústavy CZT obnoviteľný zdroj energie, ktorý je preukázateľne efektívnejší a menej zaťažuje životné prostredie ako hlavný zdroj tepla v sústave CZT.
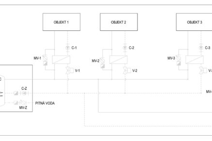
Príklad súčasného stavu zásobovania teplou vodou v sústave CZT
Na obr. 2 je v zjednodušenej technologickej schéme znázornená štandardná sústava dodávky teplej vody z CZT. V zdroji tepla sa meria spotreba tepla na prípravu TV meračom MT-Z a množstvo pripravenej TV pomocou vodomeru MV-Z. V objektoch (na odberných miestach) sa realizuje meranie spotreby TV štandardným meraním pomocou vodomerov MV-1 až MV-4 umiestnených v obtokoch výmenníkov tepla.
Cirkuláciu teplej vody v medziobjektovej rozvodnej sústave CZT zabezpečuje čerpadlo C-Z v zdroji tepla, pričom prietok cirkulujúcej vody cez odberné miesta je nastavený pomocou regulačných komponentov V-1 až V-4. Cirkuláciu TV v objektových rozvodných sústavách zabezpečujú čerpadlá C-1 až C-4. Je to bežný spôsob distribúcie teplej vody pripravovanej v centrálnom zdroji s meraním spotreby TV v jednotlivých odberných miestach.
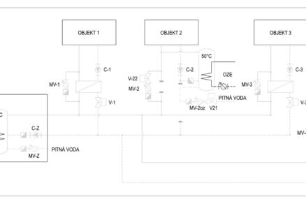
Príklad súčasného stavu pripojenia OZE do sútavy zásobovanie TV v súsave CZT
Na obr. 3 je v zjednodušenej technologickej schéme znázornená štandardná sústava dodávky teplej vody z CZT, do ktorej sme so súhlasom prevádzkovateľa sústavy CZT inštalovali technologickú zostavu na rekuperáciu tepla z kanalizačnej vody a vetracieho vzduchu. Rovnakým spôsobom sa akýkoľvek OZE, ktorým možno pripraviť TV s požadovanou teplotou na úrovni 50 °C, dá pripojiť do rozvodnej sústavy bez negatívnych vplyvov na ostatné objekty v sústave.
V schéme je pripojenie OZE naznačené v OBJEKTE 2. V danom objekte bola zrušená cirkulácia TV zo sústavy CZT, aby sa centrálny zdroj tepla nepodieľal na tepelných stratách v rozvodoch TV objektu. Je to dôležité opatrenie, aby sa zabránilo prenášaniu cirkulačných energetických strát OBJEKTU 2 (ktorý minimalizuje odber tepla zo sústavy CZT) na ostatné objekty v sústave.
Opatrenie je zrealizované demontážou oddeľovacieho výmenníka a zaslepením cirkulačného potrubia TV zo sústavy CZT. Objektová cirkulácia TV je zabezpečená len cez OZE a dodávka TV z OZE je zabezpečená zaústením rozvodu TV z OZE do objektového rozvodu TV za miesto merania dodávky TV z CZT.
Ak je OZE schopný dodať teplú vodu s požadovanými parametrami (50 °C), zabezpečí sa dodávka TV z OZE otvorením ventilu V21 a uzatvorením ventilu V-22. V prípade, že OZE nie je schopný zabezpečiť dodávku TV v požadovanej kvalite, obnoví sa dodávka TV z CZT uzatvorením ventilu V21 a otvorením ventilu V-22.
Ide o zapojenie rekuperačnej technologickej zostavy, ktorá je so súhlasom CZT v prevádzke už 3. rok. Podľa fakturačných dát možno dokázať, že inštalácia rekuperačného zariadenia v objekte 2 nemala negatívny vplyv na mernú spotrebu tepla na prípravu TV v okruhu daného zdroja CZT. V objekte sa pritom znížila spotreba tepla na prípravu TV zo 101 kWh/m3 na nulu, spotreba elektriny na prečerpanie odpadového tepla je 20 kWh/m3.
Znamená to, že v objekte sa udržala rovnaká spotreba primárnej energie na prípravu TV aj napriek nekorektnému určovaniu faktora primárnej energie pre sústavy CZT a zaťaženie životného prostredia emisiami CO2 pri príprave TV sa znížilo až o 90 %.

Príklad riešenie dodávky TV z OZE do sústavy zásobovania teplou vodou z CZT
Na obr. 4 je zjednodušená technologická schéma možnosti úpravy pripojenia OZE v OBJEKTE 2 tak, aby bola možná dodávka TV do sústavy CZT (do susedných objektov) bez akýchkoľvek zmien v zdroji tepla.
Základnou podmienkou dodávky TV do sústavy CZT je, aby teplota TV z OZE bola minimálne na úrovni teploty na výstupe z CZT. Ak je to splnené, môže sa cirkulačným čerpadlom C-2P dodávať teplá voda do sústavy CZT. Výkon cirkulačného čerpadla sa musí riadiť na základe teploty na výstupe z ohrievača OZE tak, aby nedochádzalo k jej poklesu pod stanovenú hodnotu. V čase dodávky TV do sústavy CZT musí byť ventil V-22 uzatvorený a ventil V21 otvorený.
Množstvo dodanej teplej vody do sústavy sa zaznamenáva na vodomere MV-2P. Cirkulácia TV v medziobjektovom rozvode CZT je naďalej zabezpečená čerpadlom C-Z v centrálnom zdroji, ktorý energeticky vykrýva tepelné straty v týchto rozvodoch. Sústava sa automaticky prispôsobí množstvu dodanej TV z OZE bez akýchkoľvek zásahov do technológie alebo regulácie prípravy TV v CZT. Jediné, čo treba vyriešiť, je regulácia cirkulácie TV na ventiloch V-1 až V4, pretože cirkulačný prietok cez jednotlivé objekty bude mierne ovplyvňovaný výkonom čerpadla C-2P.
No keďže výtlak čerpadla C-2P je výrazne nižší ako čerpadla C-Z a zároveň tlakové straty v prívodnom potrubí TV sú výrazne nižšie ako v cirkulačnom potrubí TV, nebude vplyv čerpadla C-2P na cirkulačné prietoky v objektoch sústavy výrazný. Napriek tomu sa tu otvára téma dynamickej regulácie cirkulácie TV vo veľkých rozvodných okruhoch s viacerými zdrojmi tepla zapojenými podľa schémy na obr. 4.
Pre vysvetlenie, aký vplyv má takáto dodávka teplej vody v jednom z objektov do sústavy CZT, si rozoberme základné situácie, ktoré vzniknú v rozvodnej sústave s hlavným zdrojom teplej vody a piatimi objektmi, z ktorých stredný má obnoviteľný zdroj teplej vody (OZTV) – pomocou neho dodáva teplú vodu do prívodného potrubia distribučnej sústavy vyššie opísaným spôsobom.
Na obr. 5 je znázornený stav, keď je odber teplej vody v sústave minimálny (nočný stav) a z objektu s OZTV sa nedodáva teplá voda do sústavy CZT, čiže daný objekt neovplyvňuje sústavu CZT. Horná časť zelenej čiary v grafe znázorňuje pomerne malý úbytok (pokles) tlaku v prívodnom potrubí (je malý prietok teplej vody a priemer prívodného potrubia je väčší ako cirkulačného potrubia), tlaková strata cirkuláciou cez posledný objekt (vrátane regulačného ventilu) je 40 cm v. s.
Spodná časť zelenej čiary v grafe znázorňuje pomerne výrazne vyšší úbytok (pokles) tlaku v cirkulačnom potrubí (prietok teplej vody je takmer rovnaký ako v prívodnom potrubí, ale priemer cirkulačného potrubia je menší ako prívodného potrubia). Z priebehu tlakovej čiary je zrejmé, že dispozičný diferenčný tlak na päte najvzdialenejšieho objektu je 40 cm v. s.
Zároveň čím je objekt bližšie k hlavnému zdroju tepla, tým je dispozičný diferenčný tlak vyšší – najbližší objekt má k dispozícii 395 cm v. s. a cirkulačné čerpadlo v zdroji teplej vody má výtlak 500 cm v. s. Úlohou hydraulického vyregulovania je odbúrať prebytok dispozičného tlaku regulačnými ventilmi na pätách všetkých objektov na úroveň najvzdialenejšieho objektu (ide však o skutočne veľmi zjednodušené vysvetlenie pre nedostatok priestoru).

Obr. 6 znázorňuje ten istý stav sústavy CZT s minimálnym odberom teplej vody, ale na rozdiel od predchádzajúceho stavu dodáva stredný objekt teplú vodu do prívodného potrubia rozvodnej sústavy teplej vody. Z priebehu tlakovej čiary (červená) v grafe vyplývajú nasledujúce skutočnosti:
- Nárast tlaku v prívodnom potrubí znázorňuje, že teplá voda sa dodáva do jedného objektu smerom k zdroju tepla a do dvoch nasledujúcich objektov.
- Ak sa nezmenilo nastavenie regulačných ventilov cirkulácie teplej vody, cirkulačné prietoky cez jednotlivé objekty sa mierne zvýšili, pričom ani v jednom nepoklesol cirkulačný prietok.
- Zmeny dispozičných diferenčných tlakov na pätách objektov sú minimálne – percentuálne najväčšia zmena +12,5 % (v prospech zvýšenia cirkulačného prietoku) vznikla v najvzdialenejšej stúpačke.
Rozoberme si však ešte, ako bude vyzerať priebeh tlakovej čiary rovnakého zoskupenia objektov počas špičkového odberu teplej vody. Obr. 7 znázorňuje stav, keď sa zo stredného objektu nedodáva do sústavy CZT teplá voda z OZTV. Pokles tlakovej čiary v prívodnom potrubí je väčší, z čoho vyplýva výrazné zvýšenie rozdielu dispozičných diferenčných tlakov na päte prvého a posledného objektu.
Zvýšenie odberu teplej vody v sústave má teda dramaticky výraznejší vplyv na prerozdelenie cirkulačných prietokov v sústave, ako bola dodávka teplej vody z objektu s OZTV v čase mimo špičkového odberu. Táto zmena je pritom v prospech zvýšenia cirkulačného prietoku na objektoch blízko zdroja tepla a znamená zníženie cirkulačného prietoku na najvzdialenejšom objekte v sústave, čo znevýhodňuje posledný objekt v kvalite dodávky teplej vody.
Čo sa však stane, ak v čase špičkového odberu začne dodávať stredný objekt teplú vodu do prívodného potrubia rozvodnej sústavy teplej vody? Z priebehu tlakovej čiary (červená) v grafe vyplývajú tieto skutočnosti:
- Nárast tlaku v prívodnom potrubí ukazuje, že teplá voda sa dodáva do jedného objektu smerom k zdroju tepla a do dvoch nasledujúcich objektov.
- Priebeh tlakovej čiary sa takmer zhoduje s priebehom z 6, čiže ak sa teplá voda dodáva do sústavy CZT z objektu s OZTV, neovplyvňuje odberová špička v sústave vyregulovanie cirkulačných prietokov teplej vody tak negatívne, ako keď takýto objekt v sústave nie je.
Z uvedeného vyplýva, že odborné zaradenie OZE do distribučnej sústavy CZT môže pozitívne vplývať na stabilitu hydraulického vyregulovania sústavy.
Záver
Príkladom z článku sa snažíme ukázať cestu, ktorou by sa mal uberať vývoj a modernizácia distribučných sietí sústav CZT. V sústavách CZT totiž nemá najväčšiu hodnotu samotný centrálny zdroj, ktorý je neprimerane chránený a zvýhodňovaný súborom zákonov a vyhlášok, ale distribučná tepelná sústava so všetkými odbernými miestami, ktorá sa zatiaľ využíva len jednosmerne.
V príspevku sme ukázali jedno z mnohých riešení, ako využiť distribučnú sústavu CZT na prenos obnoviteľnej energie medzi jednotlivými odoberateľmi tepla. Toto technické riešenie prináša nové možnosti využitia OZE v sústavách CZT, ktoré okrem iného prinesú výrazné zníženie emisií CO2 pri výrobe a distribúcii tepla. Zvýšenie podielu OZE sa totiž nedá riešiť efektívne priamo v centrálnom zdroji, ktorý štandardne funguje vo vysokoteplotnom režime. Pritom sa to od prevádzkovateľov CZT vyžaduje a za produkciu CO2 sú sankcionovaní.
Príklad, ktorý sme uviedli ako jednoduché a efektívne začlenenie OZE do sústavy CZT, je nerealizovateľný len preto, lebo ho neumožňuje legislatíva. Riešení je pritom viac a ako námet do diskusie navrhujeme napríklad rozdelenie ceny tepla na cenu za distribúciu a cenu za samotné teplo alebo zavedenie tretej zložky za teplo, v ktorej by sa zohľadnila investícia dodávateľa tepla do konkrétneho odberného miesta a dodávateľom tepla by sa umožnilo podnikať aj na „území“ svojich odberateľov.
Dnes sa ochrana centrálnych zdrojov realizuje len zákazom alebo obmedzením výstavby iných zdrojov tepla v dosahu centrálneho zdroja. Výrazne sa tým narúšajú základné princípy trhového hospodárstva a obmedzuje sa výstavba aj obnoviteľných zdrojov tepla, ktorých výstavbu náš štát údajne podporuje. Legislatívne sa tak vytvára frontová línia medzi prevádzkovateľmi CZT a dodávateľmi / prevádzkovateľmi OZE a stávame sa svedkami sporov medzi týmito dvomi umelo vytvorenými skupinami.
Ak legislatíva umožní budovať a pripájať OZE v objektoch pripojených na sústavy CZT, rešpektujúc pritom základné princípy trhového hospodárstva, vznikne konečne priestor na modernizáciu sústav CZT na úrovni 21. storočia. Je zarážajúce, že práve legislatíva SR je brzdou rozvoja teplárenstva na Slovensku.
Navyše, keď len 8. 11. 2022 bolo v Zbierke zákonov publikované konsolidované znenie zákona č. 657/2004 Z. z. o tepelnej energetike, ktorý reagoval na požiadavku transpozície smernice Európskeho parlamentu a Rady EÚ 2018/2001 z 11. decembra 2018 o podpore využívania energie z obnoviteľných zdrojov energie.
Príspevok bol prezentovaný na konferencii Vykurovanie 2025 a publikovaný v zborníku z tejto konferencie, ktorý vydáva Slovenská spoločnosť pre techniku prostredia.
Literatúra
- Smernica Európskeho parlamentu a Rady EÚ 2018/2001 z 11. decembra 2018 o podpore využívania energie z obnoviteľných zdrojov energie.
- Konsolidované znenie zákona č. 657/2004 Z. z. z 26. októbra 2004 o tepelnej energetike po novelizácii schválenej v NR SR dňa 19. 10. 2022, ktoré bolo publikované v Zbierke zákonov pod číslom 363/2022 Z. z. dňa 8. 11. 2022
TEXT A FOTO: Ing. Ján Šmelík, ENERGIA REAL, s. r. o.












