Späť na článok
Ako začleniť do rozvodnej sústavy centralizovaného zásobovania teplom obnoviteľný zdroj energie?
4 / 9
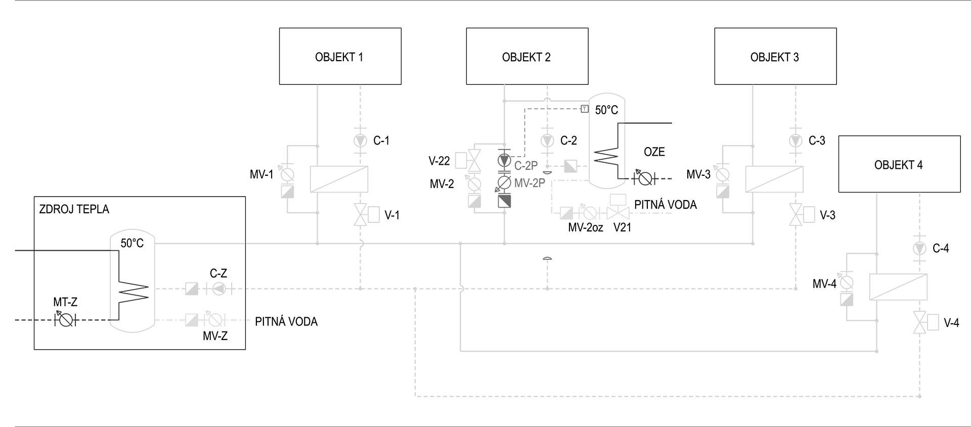
Obr. 4 Zjednodušená technologická schéma možnosti úpravy pripojenia OZE v OBJEKTE 2 tak, aby bola možná dodávka TV do sústavy CZT bez akýchkoľvek zmien v zdroji tepla.
Zdroj: Ing. Ján Šmelík, ENERGIA REAL, s. r. o.