Zásobovanie teplom s dominantným využitím geotermálnej energie vo Veľkom Mederi
Problematika znižovania uhlíkovej stopy v zdrojoch tepla pre sústavy centralizovaného zásobovania teplom (SCZT), ktoré spaľujú zemný plyn, je v súčasnosti veľmi aktuálna. V oblasti Centrálnej depresie podunajskej panvy sú veľmi priaznivé podmienky na využívanie obnoviteľných zdrojov energie na báze geotermálnej energie. Príspevok ukazuje trojstupňové využívanie zdroja tepla práve na báze geotermálnej energie vo Veľkom Mederi.
![]() |
Poznáte výhody Klubu ASB? Stačí bezplatná registrácia a získate sektorové analýzy slovenského stavebníctva s rebríčkami firiem ⟶ |
V prvom stupni je geotermálna energia (GE) využitá na zabezpečenia zásobovania teplom obytného súboru (vykurovanie a príprava teplej vody). V druhom stupni sa vychladená odpadová geotermálna voda (OGTV) využíva na zásobovanie teplom polikliniky a v treťom stupni pre bazénové hospodárstvo v termálnom kúpalisku Thermal Corvinus.
Pre tepelnú centrálu sa použili moderné prvky: záložný špičkový zdroj tepla na zemný plyn a doskové výmenníky tepla. Dominantný zdroj tepelnej centrály je GTV z geotermálneho vrtu VM-1 s pôvodnou výdatnosťou mo = 10,4 l/s a teplotou na hlave vrtu θ0 = 93 °C. Po zabudovaní hlbinného čerpadla sa výdatnosť zvýšila na m1 = 16,7 l/s a θ1 =98,1 °C s mineralizáciou GTV 3 600 mg/l.
Prepojenie zdroja tepla a kúpaliska je riešené pomocou dvojice predizolovaných potrubí s DN 110 s minimálnymi tepelnými stratami, podobne aj pôvodné kotolne v obytných budovách boli prepojené s tepelnou centrálou. Týmto príkladným riešením sa prispieva k plneniu záväzkov smernice EP a rady 2010/31/EÚ z 19. mája 2010 o energetickej hospodárnosti budov a smernice EP a Rady (EÚ) 2024/1275 z 24. apríla 2024.
Celkové riešenie
Z tepelnej centrály je zabezpečená potreba tepla pre sústavu centralizovaného zásobovania teplom (SCZT), ktorá zahŕňa 1 300 bytov, teda prakticky všetky domácnosti v panelákoch. V meste Veľký Meder bol v roku 2015 realizovaný geotermálny vrt VM-1, priamo na nádvorí pôvodného zdroja tepla teplovodnej kotolne Stred. Tento zdroj tepla bol už zastaraný a nevyhovoval súčasným požiadavkám, preto sa uskutočnila jeho rekonštrukcia. Dominantné postavenie dostal obnoviteľný zdroj energie (OZE) – geotermálny vrt VM-1 s energetickými parametrami podľa tab. 1 a mineralizáciou GTV 3 600 mg/l. Využiteľný energetický potenciál sa posudzuje z energetického a ekologického hľadiska, výsledky sú zobrazené v tab. 1.
Do geotermálneho vrtu VM-1 bolo v roku 2017 zabudované ponorné hlbinné čerpadlo BORETS (obr. 1), umiestnené do hĺbky 220 m. Čerpadlo je vybavené frekvenčným meničom, ktorým sa dosiahlo regulované odoberané množstvo GTV podľa potreby a zároveň sa dosiala vyššia výdatnosť a teplota na hlave vrtu.
Na spodku čerpadla sa nachádza snímač, ktorý posiela do riadiaceho systému aktuálne informácie o teplote a tlaku vody, resp. o prevádzkových parametroch motora. Kontrolné testy ukázali, že čerpadlo vie držať želanú (najvyššiu) výdatnosť 16,7 l/s, ktorá postačuje na pokrytie výroby tepla v bežných zimných mesiacoch bez zapnutia plynových kotlov. Teplota GTV pri tejto výdatnosti je 98,1 °C.
|
Lokalita |
Označenie vrtu | Hĺbka vrtu (m) | Výdatnosť čerpaním (l/s) | Teplota GTV na hlave vrtu (°C) | Vychladenia GTV (°C) |
Energetický potenciál (kW) |
| Veľký Meder |
VM-1 |
2 450,0 | 10,0 | 93 | 15 |
3 407,0 |
| Veľký Meder |
VM-1 |
2 450,0 | 16,7 | 98 | 15 |
5 828,6 |
| Veľký Meder |
VM-1 |
2 450,0 | 10,0 | 93 | 26 |
2 926,6 |
| Veľký Meder | VM-1 | 2 450,0 | 16,7 | 98 | 26 |
4 699,4 |
Tab. 1 Energetické parametre geotermálneho vrtu VM-1
Prvé dva riadky tab. 1 sa vzťahujú k energetickému hodnoteniu exploatácie voľným prelivom E1,1 = 3 407,0 kW a so zabudovaným hlbinným čerpadlom E1,2 = 5 828,6 kW. Druhé dva riadky sa vzťahujú k ekologickému hodnoteniu voľným prelivom E2,1 = 2 926,6 kW a so zabudovaným hlbinným čerpadlom E2,2 = 4 699,4 kW.
Koncepcia návrhu zdroja tepla
Zdrojom tepla pre obytný okrsok je teplovodná kotolňa na zemný plyn umiestnená v dvojpodlažnom objekte. Jej úlohou je zabezpečiť potrebu tepla na vykurovanie a prípravu teplej vody. Pôvodný zdroj, teda aj vykurovacie sústavy boli dimenzované na teplotný spád 90/70 °C. Po stavebných úpravách na zabezpečenie potreby tepla postačujú aj nižšie teplotné spády s teplotou prívodnej vody do vykurovacieho systému na úrovni 70 až 75 °C.
V teplovodnej kotolni sú po rekonštrukcii inštalované tri teplovodné skriňové kotly na zemný plyn s tlakovým horákom a tepelným výkonom Q1 = 1 000 kW a dva moderné skriňové kotly na zemný plyn s tlakovým horákom a tepelným výkonom Q2 = 1 600 kW. Kotly majú aj spalinové výmenníky tepla, ktoré zvyšujú stupeň ich využitia. Celkový inštalovaný tepelný výkon je Qcelk. = 6,2 MW. Pohľad do rekonštruovanej teplovodnej kotolne, resp. energocentra je na obr. 2.
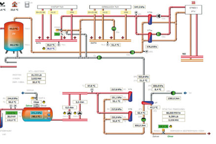
GTV z vrtu je zo začiatku voľným prelivom a vlastným tlakom, neskôr zabudovaným ponorným čerpadlom dopravovaná do akumulačnej a odplyňovacej nádrže s objemom 10 m3, v ktorej sa odplyní. Ďalej je dopravovaná do dvoch doskových výmenníkov tepla G-MART s tepelným výkonom Q = 1 549 kW. Vo výmenníkoch tepla VT1 a VT2 odovzdáva GTV svoju energiu teplonosnej pracovnej látke – vykurovacej vode.
Tá zásobuje rozdeľovač a zberač, z ktorých sú napojené jednotlivé odberné miesta podľa obr. 3. Po roku prevádzky bolo pôvodné riešenie doplnené o výmenník tepla (VT) na predohrev vody, s ktorým sa dochladzuje GTV a predhrieva studená voda na prípravu teplej vody.
Sekundárna teplonosná látka vystupuje z výmenníkov tepla VT1 a VT2 a zabezpečuje teplom rozdeľovač a zberač, z ktorých sú napojené jednotlivé odberné miesta – 1 300 bytov, materská škola, základná škola, detský domov, kultúrne stredisko a poliklinika.
Príprava TV sa uskutočňuje v dvoch doskových výmenníkoch tepla VT1a a VT1b s tepelným výkonom Q = 400 kW. Voda sa následne akumuluje v stojatej tlakovej akumulačnej nádobe s objemom V = 4 000 litrov.
Výroba tepla v zdroji tepla
Rekonštruovaná teplovodná kotolňa na zemný plyn bola uvedená do činnosti 15. októbra 2015. Od tohto obdobia sú zaznamenané spotreby zemného plynu aj množstvo odobratej GTV, resp. množstvo vyrobeného tepla z týchto zdrojov. Ďalej budeme analyzovať jednotlivé roky prevádzky s vyznačením podielov prípravy teplej vody a potreby tepla na vykurovacie sústavy. Sledoval sa aj podiel využívania zemného plynu a geotermálnej energie.

V tab. 2 sú údaje výroby tepla v zdroji tepla v MWh za roky 2016 až 2021, ktoré vystihujú skutočne vyrobené množstvá tepla do jednotlivých odberných miest vykurovacej sústavy (VYK) a na prípravu teplej vody (TV), a podiel zemného plynu (ZP) a GE na výrobe a dodávke tepla. Výsledky z tab. 2 sú pre lepšiu orientáciu v grafickej podobe na obr. 4 a 5.
|
2016 |
2017 | 2018 | 2019 | 2020 | 2021 | 2022 | 2023 |
2024 |
|
| TV | 2 837,8 | 3 289,1 | 2 794,9 | 3 221,6 | 3 527,1 | 3 636,7 | 3 941,6 | 3 275,6 | 2 732,5 |
| VYK | 7 349,0 | 4 830,7 | 7 668,9 | 7 846,5 | 8 591,0 | 9 003,8 | 8 533,7 | 9 273,0 | 8 145,7 |
| Spolu | 10 186,8 | 8 119,8 | 10 463,8 | 11 068,1 | 12 118,1 | 12 640,5 | 12 475,3 | 12 548,6 | 10 878,2 |
| ZP | 7 450,0 | 2 636,2 | 1,1 | 31,8 | 0,9 | 0,4 | 0,0 | 755,4 | 0,7 |
| GE | 2 736,8 | 5 483,6 | 10 462,7 | 11 036,3 | 12 117,3 | 12 640,1 | 12 475,3 | 11 793,2 | 10 877,5 |
| GE (%) |
26,9 |
67,5 | 100,0 | 99,7 | 100,0 | 100,0 | 100,0 | 94,0 |
100,0 |
Tab. 2 Množstvo tepla a spotreba zemného plynu a GE v rokoch 2016 až 2024
Z tab. 2 a grafických výstupov na obr. 4 a 5, je zrejmé, že v roku 2016 bol podiel dodávky tepla na vykurovanie 72,0 % a na prípravu TV 28 %. Vzhľadom na to, že GE sa začala využívať len koncom roka 2016, je jej podiel 27 %. V roku 2017 to je už 68 % a v nasledujúcich rokoch až po súčasnosť má GE dominantné postavenie s podielom takmer 100 %.
Teplovodná kotolňa slúži ako záložný zdroj pre prípad poruchy geotermálneho vrtu. Je to ukážkový vzorový príklad možnosti nahradenia zemného plynu, teda dekarbonizácie tepelného zdroja s dominantným využívaním obnoviteľného zdroja tepla na báze geotermálnej energie v SCZT. Tento trend by sme mali nasledovať a realizovať všade tam, kde sú na to vhodné podmienky.
Prepočet tvorby emisií CO2
Vo vyhláške Ministerstva dopravy, výstavby a regionálneho rozvoja SR č. 324 z 30. novembra 2016, v prílohe č. 2, sa pre zemný plyn uvádza faktor emisií CO2 K = 0,220 kg/kWh. Po prepočítaní na jednotlivé roky sú výsledky zhrnuté do tab. 3, grafické vyjadrenie je na obr. 6.
|
|
2016 | 2017 | 2018 | 2019 | 2020 | 2021 | 2022 | 2023 | 2024 |
| ZP | 1 639 | 580,0 | 0,2 | 7,0 | 0,2 | 0,1 | 0,0 | 166,2 | 0,2 |
| GE | 602,1 | 1 206,4 | 2 301,8 | 2 428,0 | 2 665,8 | 2 780,8 | 2 744,6 | 2 594,5 | 2 393,1 |
|
Spolu |
2 241,0 | 1 786,4 | 2 302,0 | 2 435,0 | 2 666,0 | 2 780,9 | 2 745,6 | 2 761,7 |
2 393,3 |
Tab. 3 Množstvo emisií pri výrobe tepla zo zemného plynu a z GE počas rokov 2016 až 2024
Z tab. 3 a obr. 6 je zrejmé, že využívaním GE v SCZT vieme výrazne znížiť tvorbu emisií CO2 a tým prispieť k zníženiu uhlíkovej stopy aplikáciou OZE na báze geotermálnej energie.

Záver
V lokalite Veľký Meder bol vybudovaný geotermálny vrt VM-1 na dvore miestnej teplovodnej kotolne na zemný plyn. Zároveň sa uskutočnila rekonštrukcia zdroja tepla a tepelnej siete SCZT, pričom základné zaťaženie zdroja prebral obnoviteľný zdroj energie na báze geotermálnej energie.
Porovnaním zaznamenaných údajov od roku 2016 až po súčasnosť môžeme konštatovať, že navrhované riešenie zásobovania teplom obytného okrsku využitím OZE na báze GE je v podmienkach Slovenska vzorové a správne. Postupne sa znížila spotreba zemného plynu, prednostne sa využíva obnoviteľný zdroj energie (GE) a podstatne sa znížila produkcia škodlivín v podobe vypúšťaných emisií CO2, čím sa zdroj tepla pre sústavu CZT radikálne dekarbonizoval. Úspora nevypusteného CO2 do okolitého ovzdušia za roky 2016 až 2024 predstavuje hodnotu 19 717,0 ton.
Toto môže byť príklad aj pre podobné lokality v tom, ako plniť záväzky smernice EP a rady 2010/31/EÚ z 19. mája 2010 o energetickej hospodárnosti budov a smernice EP a Rady (EÚ) 2024/1275 z 24. apríla 2024 o energetickej hospodárnosti budov.
Prácu podporilo Ministerstvo školstva, vedy, výskumu a športu Slovenskej republiky prostredníctvom grantu VEGA 1/0475/24.
Príspevok bol prezentovaný na konferencii Energetický manažment 2025 a publikovaný v zborníku z tejto konferencie, ktorý vydáva Slovenská spoločnosť pre techniku prostredia.
Literatúra
- PETRÁŠ, D. a kol.: Obnoviteľné zdroje energie pre nízkoteplotné systémy. JAGA, Bratislava 2009, 223 str.
- TAKÁCS, J. – GAŽÍKOVÁ, S. – DERZSI, I.: Otvorený geotermálny energetický systém pre zásobovanie teplom v meste Veľký Meder. In: Vytápění, větrání a instalace, 2/2019.
- TAKÁCS, J. – GAŽÍKOVÁ, S.: Nasledovania hodný príklad riešenia geotermálneho energetického systému pre zásobovanie teplom mesta Veľký Meder. Vykurovanie 2019 [el. zdroj]: zborník prednášok z 27. medzinárodnej vedecko-odbornej konferencie. Podbanské, Vysoké Tatry, 1. – 5. apríl 2019. 1. vyd. Bratislava: SSTP, CD-ROM, s. 193 – 198.
- TAKÁCS, J. – GAŽÍKOVÁ, S.: Znižovanie uhlíkovej stopy zdroja tepla vyžitím geotermálnej energie vo Veľkom Mederi. In: TZB Haustechnik, č. 1/2022, str. 32 – 34.
- Podklady z prevádzky kotolne Stred vo Veľkom Mederi za obdobie 2016 až 2024, MPBH spol. s r. o.
- Smernica Európskeho parlamentu a rady 2010/31/EÚ z 19. mája 2010 o energetickej hospodárnosti budov.
- Smernica Európskeho parlamentu a Rady (EÚ) 2024/1275 z 24. apríla 2024 o energetickej hospodárnosti budov.
TEXT A FOTO: prof. Ing. Ján Takács, PhD., Ing. Martina Mudrá, Katedra TZB na Sv STU v Bratislave












